Idioma:
Lista de favoritos ( Productos):
F07537B030P300HP Perspective 1 F07537B030P300HP Perspective 2

F07537B030P300HP

Número de artículo 1152298

Ficha técnica

Cantidad

Datos técnicos

General
Estructura Basic Contact Probe
Tipo/Familia F075HP
Paso (mm/mil) 1,90 / 75
Temperatura -45°C...+100°C
Definición adicional HP
Dimensiones
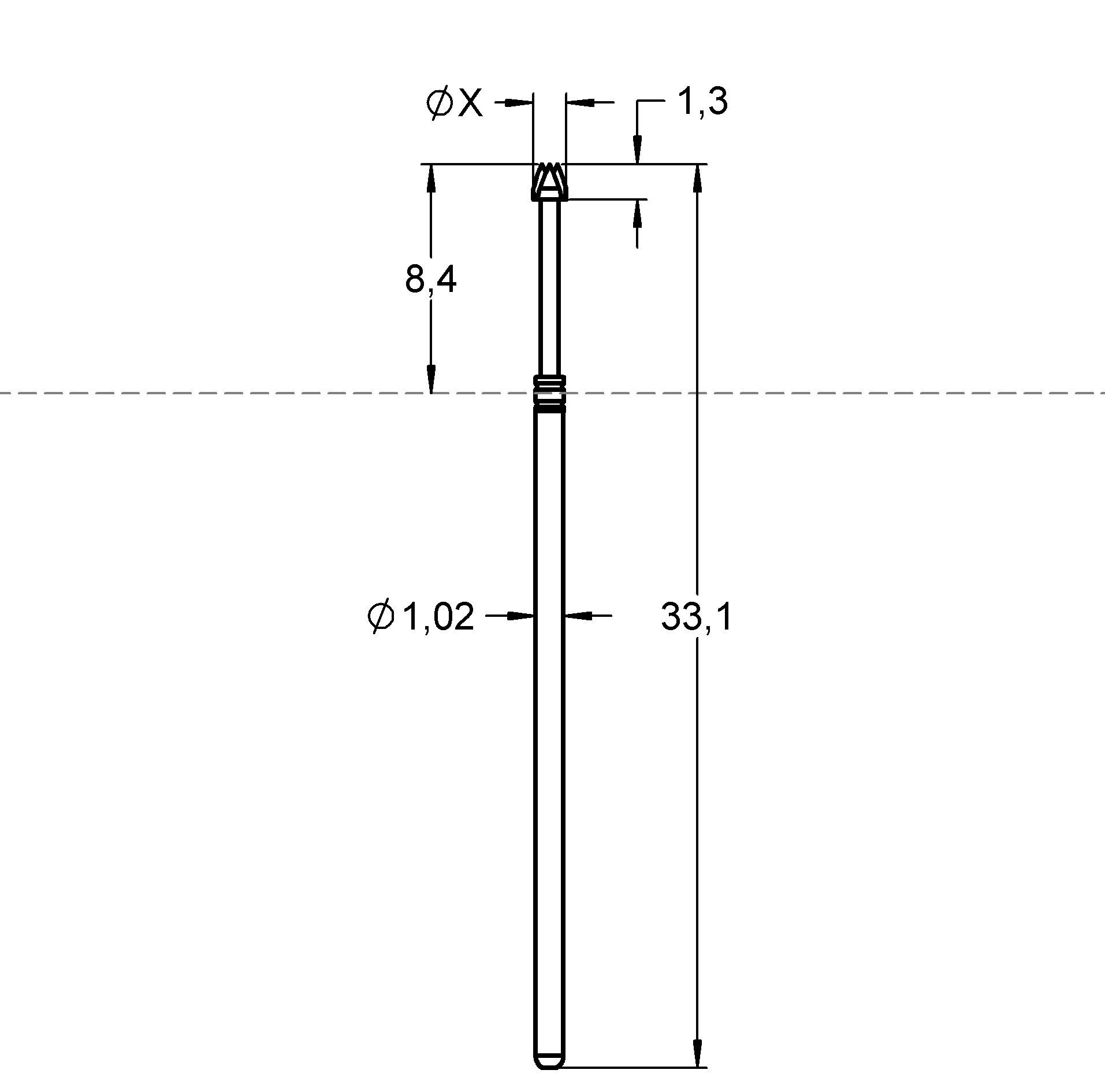
Longitud total (mm) 33.1
Altura sobresaliente (mm) 8.2
Diámetro del estilo de punta (mm) 0.3
Diámetro del casquillo (mm) 1.02
Materiales y superficies
Estilo de punta 37
Material del émbolo Beryllium copper
Recubrimiento del émbolo Progressive
Material del casquillo Bronze
Recubrimiento del casquillo Gold
Material del resorte Spring steel
Recubrimiento del resorte Silver
Especificaciones mecánicas
Precarga (cN) 160
Fuerza del resorte (cN) 300
Recorrido nominal (mm) 4.3
Recorrido máximo (mm) 6.4
Precisión de punteo +/- (mm) 0.08
Especificaciones eléctricas
Corriente continua (A) 4
Resistencia de contacto típica (mΩ) 40

Gráficos

F07537B030P300HP Denominación de la familia