언어:
즐겨찾기 목록 ( 제품):
P19734S130L130TL080ST Perspective 1 P19734S130L130TL080ST Perspective 2

포고 커넥터 (≤ 3,50mm / 138mil) P19734S130L130TL080ST

품목 번호 1007721

기술 데이터 시트

수량

기술 데이터

일반 사항
구성 Basic Contact Probe
형태/계열 P-T / P197T-L080
거리(mm/mil) 3,00 / 118
온도 -45°C...+200°C
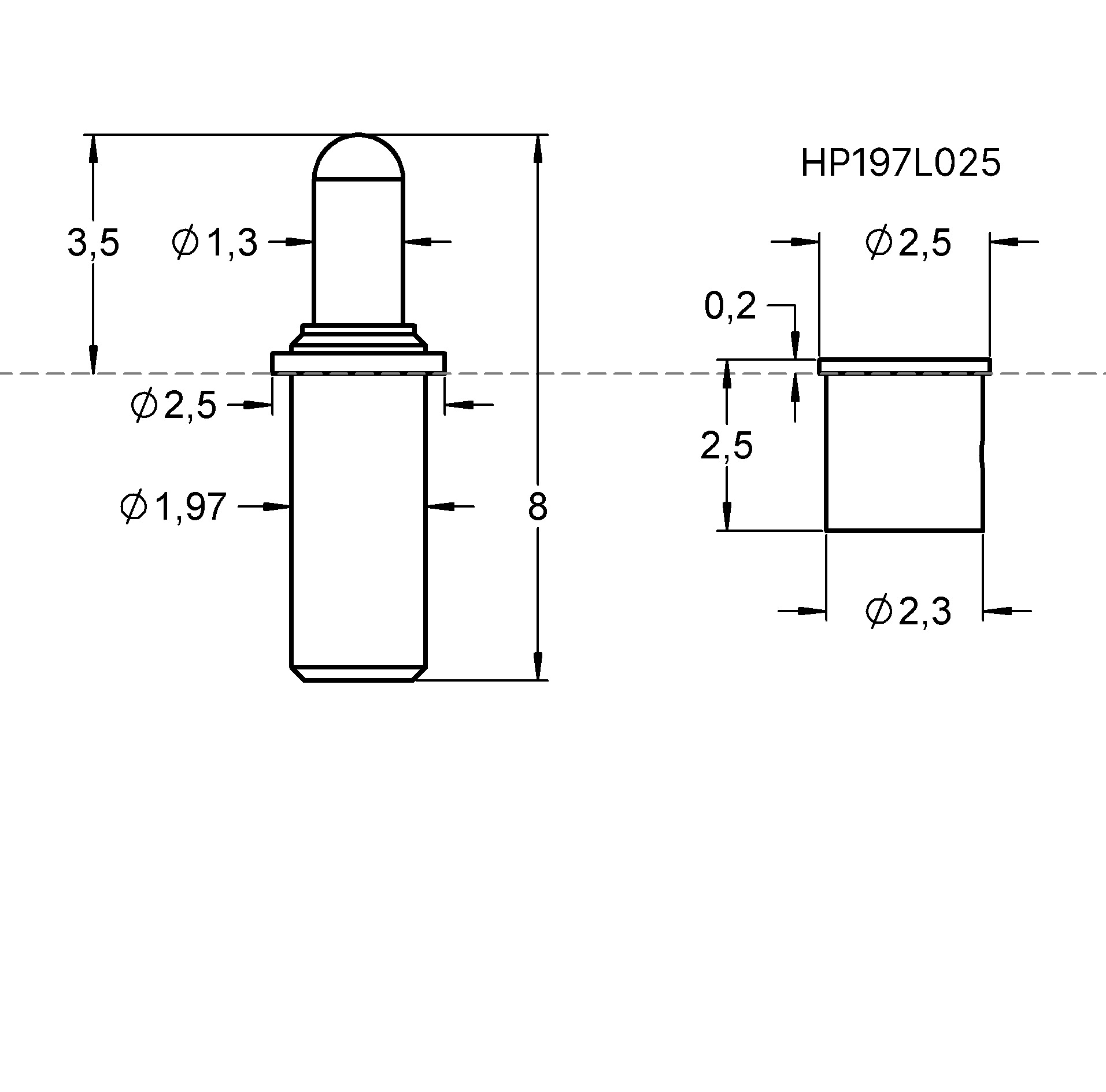
치수
전체 길이(mm) 8
돌출 높이 (mm) 3.5
팁 스타일 직경(mm) 1.3
배럴 직경(mm) 1.97
칼라 직경(mm) 2.53
프레스 링 직경(mm) 2.53
재료 및 표면
팁 스타일 34
플런저 소재 Steel
플런저 플레이팅 Longtime Gold
배럴 소재 Brass
배럴 플레이팅 Gold
스프링 소재 High-grade steel
스프링 플레이팅 Uncoated
기계적 사양
예압력 (cN) 40
스프링포스(cN) 130
정격 트래블(mm) 1.5
맥시멈 트래블(mm) 2.2
포인팅 정확도+/- (mm) 0.08
전기적 사양
연속 전류(A) 9
일반적인 접촉 저항(mOhm) 100

그래픽

P19734S130L130TL080ST 제품군 도면 P19734S130L130TL080ST 팁 스타일 1