Ngôn ngữ:
Danh sách ghi chú ( Sản phẩm):
HF819HSDm011G1270H819AEPPV1 Perspective 1 HF819HSDm011G1270H819AEPPV1 Perspective 2

Chân kim Tần Số Cao (Ô tô) HF819HSDm011G1270H819AEPPV1

Mã sản phẩm 1145252

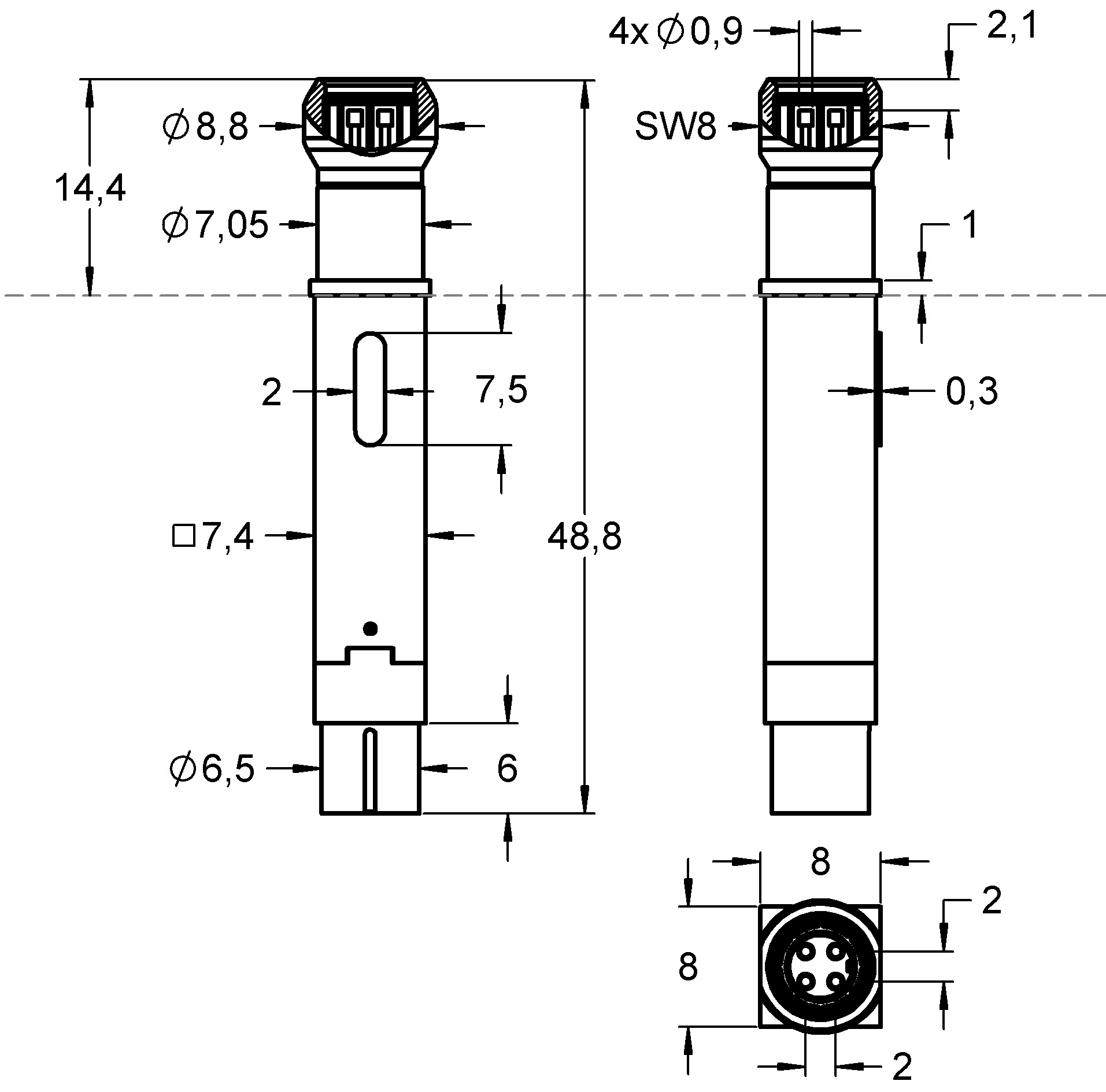
Bảng dữ liệu kỹ thuật

Số lượng

Dữ liệu kỹ thuật

Thông tin chung
Cấu trúc Coaxial Probe
Loại/dòng sản phẩm HF819
Bước (mm/mil) 12,0 / 472
Nhiệt độ -45°C...+100°C
Kích thước
Tổng chiều dài (mm) 48.9
Chiều cao nhô ra (mm) 14.4
Đường kính đầu mũi (mm) 7.5
Đường kính thân (mm) 7.4
Đường kính cổ (mm) 8
Đường kính vòng ép (mm) 8
Khoảng cách trong/ngoài (mm) -2.1
Đường kính đầu mũi (mm) 2 0.9
Vật liệu và bề mặt
Kiểu đầu kim 05
Kiểu đầu kim 2 05
Vật liệu pít-tông 2 Beryllium copper
Mạ pít-tông Gold
Vật liệu thân Brass
Mạ thân Gold
Vật liệu lò xo High-grade steel
Mạ lò xo Uncoated
Vật liệu pít-tông 2 2 Beryllium copper
Mạ pít-tông 2 Gold
Vật liệu lò xo 2 Spring steel
Mạ lò xo 2 Gold
Thông số kỹ thuật cơ khí
Lực căng trước (cN) 300
Lực lò xo (cN) 750
Hành trình danh định (mm) 5
Hành trình tối đa (mm) 6
Kích thước dụng cụ (mm) 7,0
Kết nối Connection Element
DUT HSD-Male
Thông số kỹ thuật điện
Cường độ dòng điện liên tục (A) 10
Điện trở tiếp xúc điển hình (mOhm) 1
Trở kháng (ohm) 100
Tần số (GHz) 1
Cường độ dòng điện liên tục (A) 2 3
Thông số kỹ thuật tiếp xúc bên trong
Hành trình danh định (mm) 2 2
Hành trình tối đa (mm) 2 3.7
Lực căng trước (cN) 2 75
Lực lò xo (cN) 2 130

Đồ họa

HF819HSDm011G1270H819AEPPV1 Bản vẽ gia đình HF819HSDm011G1270H819AEPPV1 Kiểu đầu kim 1 HF819HSDm011G1270H819AEPPV1 Kiểu đầu kim 2