Sprache:
Merkliste ( Produkte):
HCF77307B300G300 Perspective 1 HCF77307B300G300 Perspective 2

Hochstromstifte (Leistungselektronik) HCF77307B300G300

Artikelnummer 1050889

Technisches Datenblatt

Menge

Technische Daten

Allgemeines
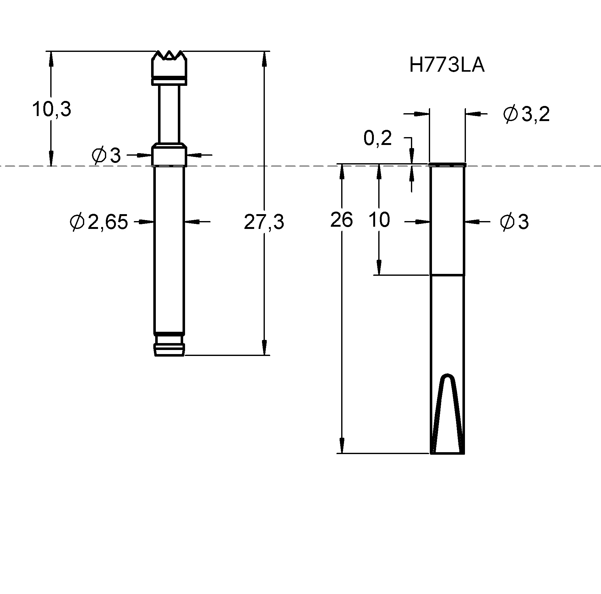
Aufbau Basis Kontaktstift
Typ/Familie HCF773
Raster (mm / mil) 3,50 / 138
Temperatur -45°C...+200°C
Dimensionen
Gesamtlänge (mm) 27.3
Herausraghöhe (mm) 10.3
Durchmesser Kopfform (mm) 3
Durchmesser Mantel (mm) 2.65
Durchmesser Kragen (mm) 3
Durchmesser Pressring (mm) 3
Materialien und Oberflächen
Kopfform 07
Werkstoff Kolben Kupfer-Beryllium
Beschichtung Kolben Gold
Werkstoff Mantel Messing
Beschichtung Mantel Gold
Werkstoff Feder Edelstahl
Beschichtung Feder Unbeschichtet
Mechanische Spezifikationen
Vorspannung (cN) 60
Federkraft (cN) 300
Federweg empf. (mm) 4
Federweg max. (mm) 5
Treffergenauigkeit +/- (mm) 0.1
Elektrische Spezifikationen
Dauerstrom (A) 30
Typ. Durchgangswiderstand (mOhm) 8

Grafiken

HCF77307B300G300 Familienzeichnung HCF77307B300G300 Diagramm HCF77307B300G300 Kopfform 1