Sprache:
Merkliste ( Produkte):
HF77MATEAXm0212G1080MSMPmF Perspective 1 HF77MATEAXm0212G1080MSMPmF Perspective 2

Hochfrequenzstifte (Automotive) HF77MATEAXm0212G1080MSMPmF

Artikelnummer 1142276

Technisches Datenblatt

Menge

Technische Daten

Allgemeines
Aufbau Koaxialstift
Typ/Familie HF77
Raster (mm / mil) 4,00 / 157
Temperatur -45°C...+100°C
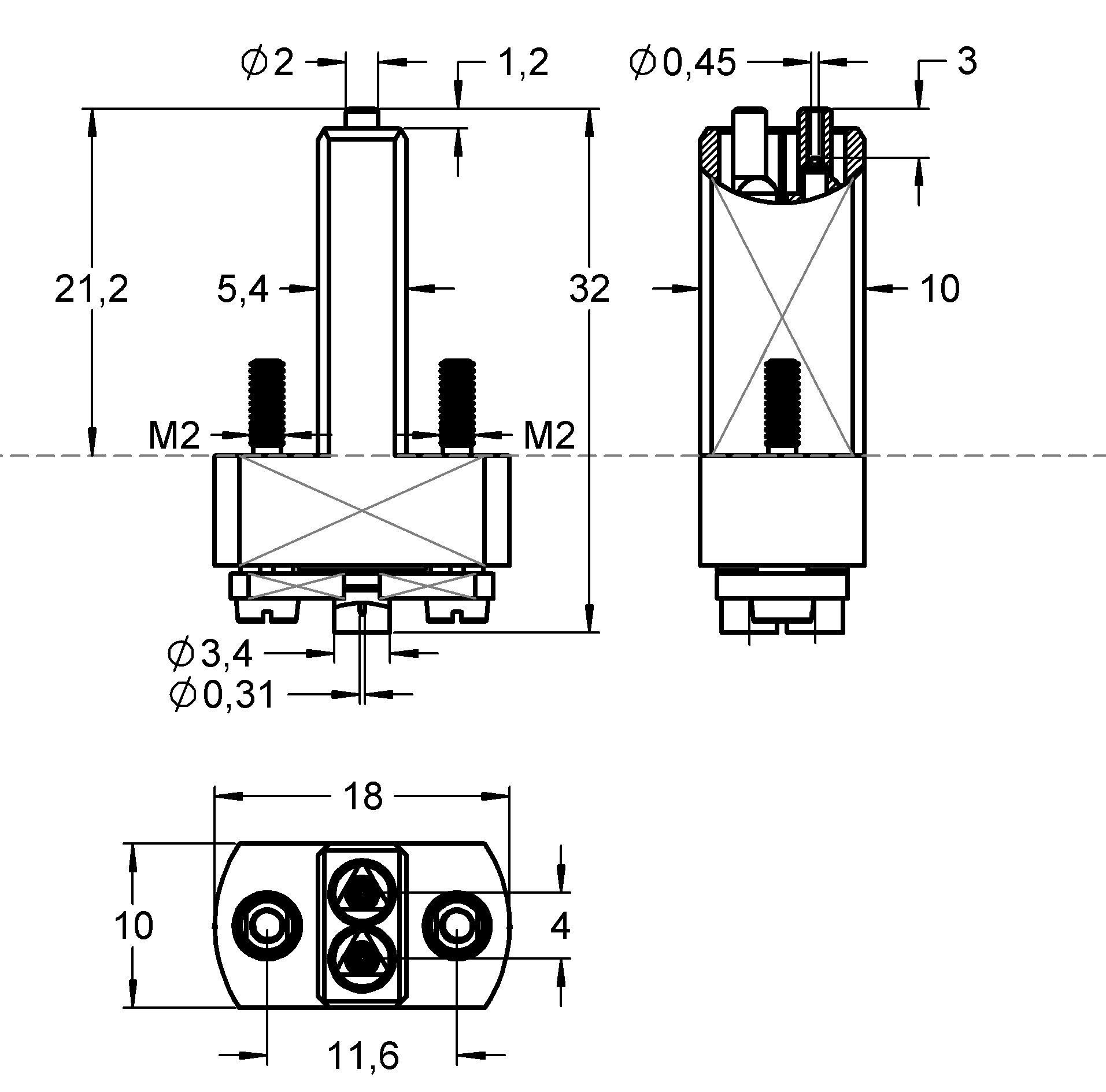
Dimensionen
Gesamtlänge (mm) 31.2
Herausraghöhe (mm) 27
Durchmesser Kopfform (mm) 2
Durchmesser Mantel (mm) 2.95
Abstand innen/außen (mm) 2.2
Durchmesser Kopfform (mm) 2 0.45
Materialien und Oberflächen
Kopfform 50
Kopfform 2 16
Werkstoff Kopfform Messing
Beschichtung Kopfform Nickel
Werkstoff Kolben Kupfer-Beryllium
Beschichtung Kolben Gold
Werkstoff Mantel Messing
Beschichtung Mantel Gold
Werkstoff Feder Edelstahl
Beschichtung Feder Unbeschichtet
Werkstoff Kolben 2 Kupfer-Beryllium
Beschichtung Kolben 2 Gold
Werkstoff Feder 2 Federstahl
Beschichtung Feder 2 Gold
Mechanische Spezifikationen
Vorspannung (cN) 230
Federkraft (cN) 420
Anschluss Stecker
DUT MATE-AX Male 2 Pos
Elektrische Spezifikationen
Dauerstrom (A) 0.5
Impedanz (Ohm) 50
Frequenz (GHz) 12
Dauerstrom (A) 2 0.1
Innenkontakt Spezifikationen
Federweg empf. (mm) 2 0.5
Federweg max. (mm) 2 0.8
Vorspannung (cN) 2 95
Federkraft (cN) 2 120

Grafiken

HF77MATEAXm0212G1080MSMPmF Familienzeichnung HF77MATEAXm0212G1080MSMPmF Kopfform 1 HF77MATEAXm0212G1080MSMPmF Kopfform 2