Technische Daten
| Allgemeines | |
|---|---|
| Aufbau | Koaxialstift |
| Typ/Familie | HF860 |
| Raster (mm / mil) | 6,50 / 256 |
| Temperatur | -45°C...+100°C |
| Dimensionen | |
|---|---|
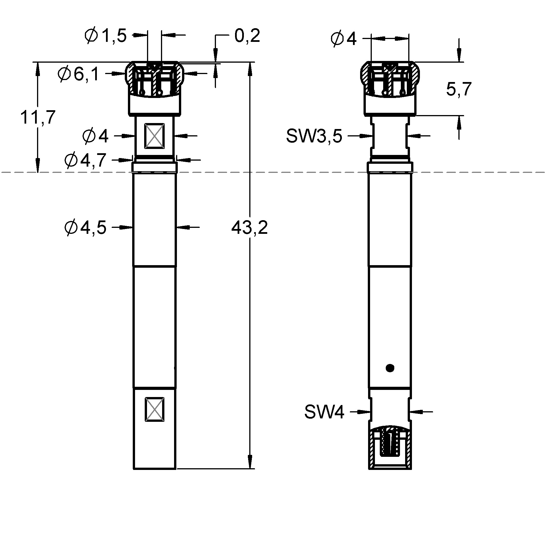
| Gesamtlänge (mm) | 43.2 |
| Herausraghöhe (mm) | 11.7 |
| Durchmesser Kopfform (mm) | 5.8 |
| Durchmesser Mantel (mm) | 4.5 |
| Durchmesser Kragen (mm) | 4.7 |
| Durchmesser Pressring (mm) | 4.7 |
| Abstand innen/außen (mm) | -0.2 |
| Durchmesser Kopfform (mm) 2 | 1.5 |
| Materialien und Oberflächen | |
|---|---|
| Kopfform | 05 |
| Kopfform 2 | 05 |
| Werkstoff Kolben | Kupfer-Beryllium |
| Beschichtung Kolben | Gold |
| Werkstoff Mantel | Messing |
| Beschichtung Mantel | Gold |
| Werkstoff Feder | Edelstahl |
| Beschichtung Feder | Unbeschichtet |
| Werkstoff Kolben 2 | Kupfer-Beryllium |
| Beschichtung Kolben 2 | Gold |
| Werkstoff Feder 2 | Federstahl |
| Beschichtung Feder 2 | Gold |
| Mechanische Spezifikationen | |
|---|---|
| Vorspannung (cN) | 450 |
| Federkraft (cN) | 800 |
| Federweg empf. (mm) | 4 |
| Federweg max. (mm) | 5 |
| Schlüsselweite (mm) | 3,5/4,0 |
| Anschluss | Stecker |
| DUT | FAKRA-Male |
| Elektrische Spezifikationen | |
|---|---|
| Dauerstrom (A) | 10 |
| Impedanz (Ohm) | 50 |
| Frequenz (GHz) | 6 |
| Dauerstrom (A) 2 | 3 |
| Innenkontakt Spezifikationen | |
|---|---|
| Federweg empf. (mm) 2 | 2 |
| Federweg max. (mm) 2 | 3.7 |
| Vorspannung (cN) 2 | 75 |
| Federkraft (cN) 2 | 150 |
Grafiken