Sprache:
Merkliste ( Produkte):
F07505B120G200H Perspective 1 F07505B120G200H Perspective 2

Basis Kontaktstifte (75 mil) F07505B120G200H

Artikelnummer 1165928

Technisches Datenblatt

Menge

Technische Daten

Allgemeines
Aufbau Basis Kontaktstift
Typ/Familie F075
Raster (mm / mil) 1,90 / 75
Temperatur -45°C...+200°C
Dimensionen
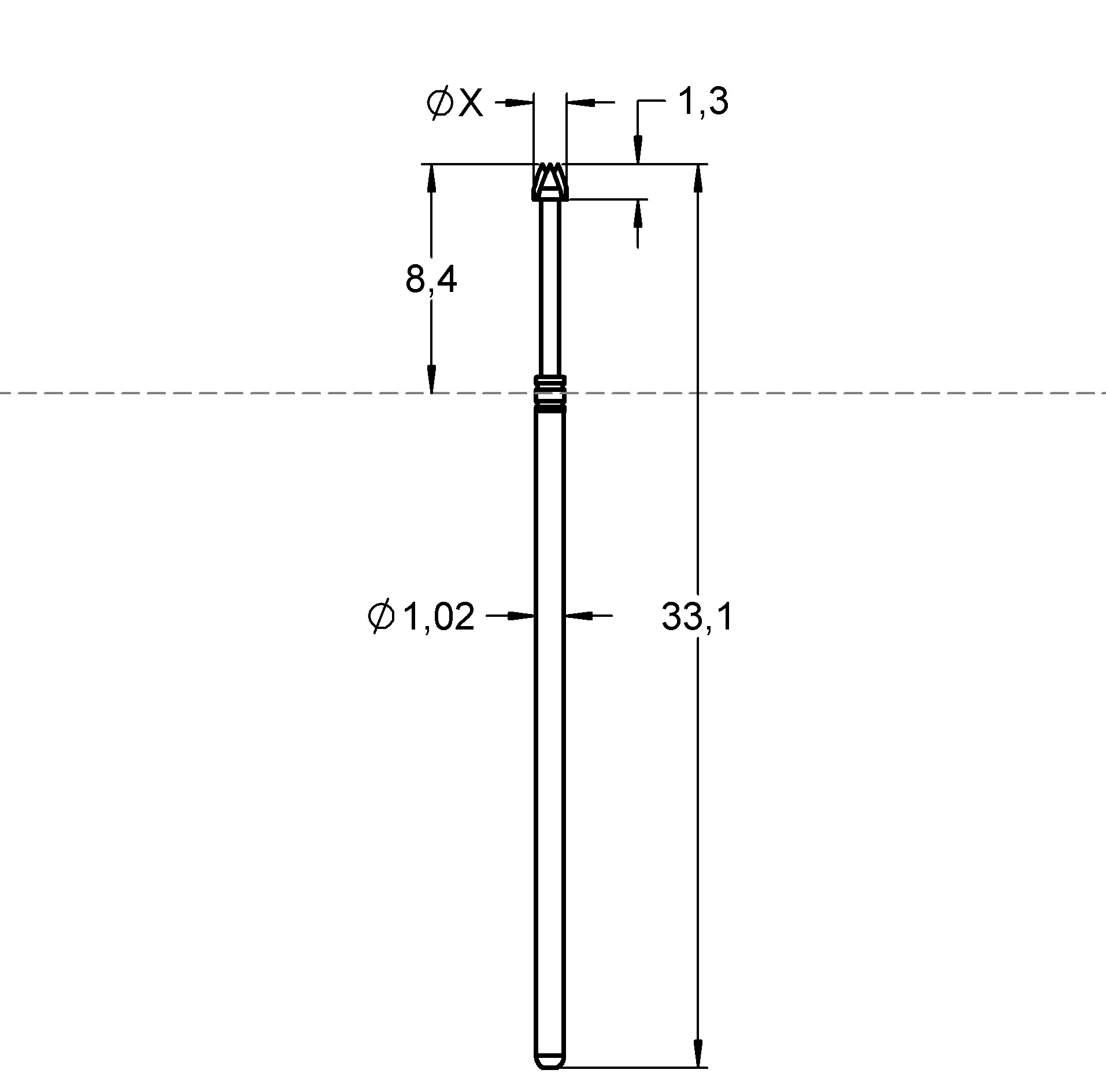
Gesamtlänge (mm) 33.1
Herausraghöhe (mm) 8.2
Durchmesser Kopfform (mm) 1.2
Durchmesser Mantel (mm) 1.02
Materialien und Oberflächen
Kopfform 05
Werkstoff Kolben Kupfer-Beryllium
Beschichtung Kolben Gold
Werkstoff Mantel Bronze
Beschichtung Mantel Gold
Werkstoff Feder Edelstahl
Beschichtung Feder Unbeschichtet
Mechanische Spezifikationen
Vorspannung (cN) 90
Federkraft (cN) 200
Federweg empf. (mm) 4.3
Federweg max. (mm) 6.4
Treffergenauigkeit +/- (mm) 0.08
Elektrische Spezifikationen
Dauerstrom (A) 4
Typ. Durchgangswiderstand (mOhm) 20

Grafiken

F07505B120G200H Familienzeichnung