言語:
メモリスト ( 製品):
FP200D2901P012U014L037 Perspective 1 FP200D2901P012U014L037 Perspective 2

ファインピッチプローブ (< 300µm) FP200D2901P012U014L037

商品番号 1030191

技術データシート

数量

技術データ

一般的な事項
構成 Double Plunger Probe
タイプ/ファミリー FP-D
ピッチ (mm/mil) 0,30 / 12
温度 -45°C...+150°C
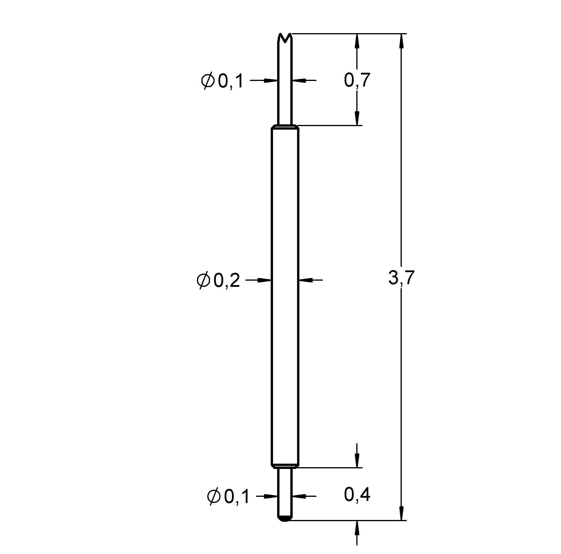
寸法
全長 (mm) 3.7
突出高さ (mm) 0.7
先端形状直径 (mm) 0.12
バレル径 (mm) 0.2
先端形状直径 (mm) 2 0.12
材料および表面
先端形状 29
先端形状 2 01
プランジャー材質 Palladium
プランジャーめっき Uncoated
バレル材質 Nickel
バレルめっき Gold
バネ材質 High-grade steel
バネめっき Gold
プランジャー材質 2 Beryllium copper
プランジャーめっき 2 Gold
機械的仕様
予圧 (cN) 9
バネ圧 (cN) 14
推奨ストローク (mm) 0.25
最大ストローク (mm) 0.35
電気的仕様
連続電流 (A) 0.7
接触抵抗Typ. (mOhm) 100
周波数 (GHz) 35

グラフィック

FP200D2901P012U014L037 ファミリー図面 FP200D2901P012U014L037 先端形状 1 FP200D2901P012U014L037 先端形状 2