언어:
즐겨찾기 목록 ( 제품):
HF77SMKMINIFAKRAm0212G1080MSMPmF Perspective 1 HF77SMKMINIFAKRAm0212G1080MSMPmF Perspective 2

고주파 프로브 (자동차) HF77SMKMINIFAKRAm0212G1080MSMPmF

품목 번호 1139613

기술 데이터 시트

수량

기술 데이터

일반 사항
구성 Coaxial Probe
형태/계열 HF77
거리(mm/mil) 12,0 / 472
치수
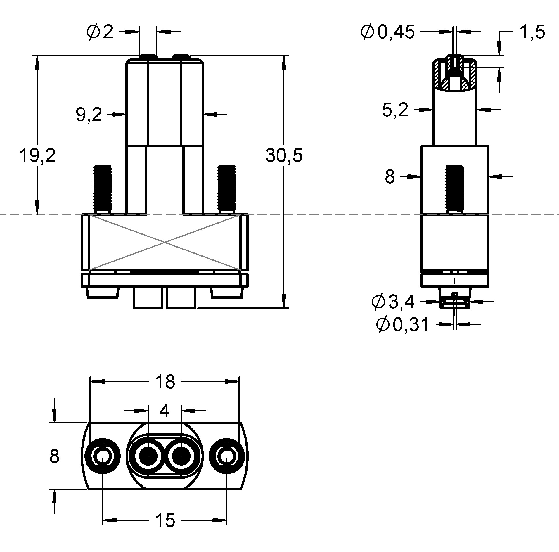
전체 길이(mm) 30.5
팁 스타일 직경(mm) 3.4
재료 및 표면
팁 스타일 16
팁 스타일 소재 Beryllium copper
팁 스타일 플레이팅 Gold
플런저 소재 Beryllium copper
플런저 플레이팅 Gold
기계적 사양
예압력 (cN) 280
스프링포스(cN) 420
정격 트래블(mm) 1.4
맥시멈 트래블(mm) 2.2
연결 Plug
전기적 사양
임피던스(ohm) 50
주파수(GHz) 12

그래픽

HF77SMKMINIFAKRAm0212G1080MSMPmF 제품군 도면 HF77SMKMINIFAKRAm0212G1080MSMPmF 팁 스타일 1