Sprache:
Merkliste ( Produkte):
P50006S260R200L126S Perspective 1 P50006S260R200L126S Perspective 2

P50006S260R200L126S

Artikelnummer 1136000

Technisches Datenblatt

Menge

Technische Daten

Allgemeines
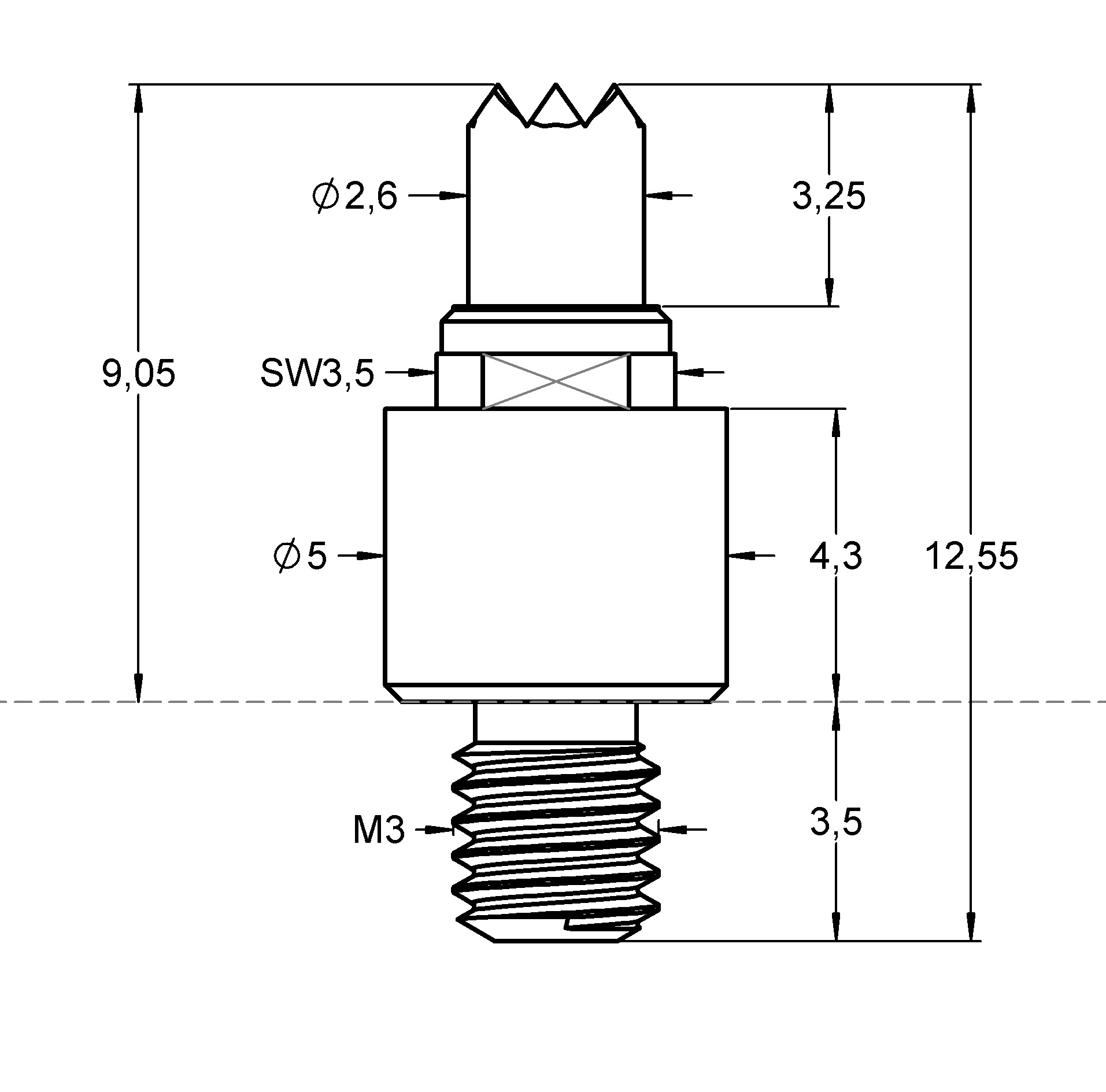
Aufbau Basis Kontaktstift
Typ/Familie P / P500-L126
Raster (mm / mil) 5,50 / 216
Dimensionen
Gesamtlänge (mm) 12.55
Herausraghöhe (mm) 9.05
Durchmesser Kopfform (mm) 2.6
Durchmesser Mantel (mm) 5
Durchmesser Kragen (mm) 4.1
Durchmesser Pressring (mm) 4.1
Materialien und Oberflächen
Kopfform 06
Werkstoff Kolben Stahl
Beschichtung Kolben Rhodium
Werkstoff Mantel Bronze
Beschichtung Mantel Gold
Werkstoff Feder Edelstahl
Beschichtung Feder Unbeschichtet
Mechanische Spezifikationen
Vorspannung (cN) 100
Federkraft (cN) 200
Federweg empf. (mm) 2
Federweg max. (mm) 2.2
Treffergenauigkeit +/- (mm) 0.2
Gewinde M3
Schlüsselweite (mm) 3,5
Anschluss Gewinde
Elektrische Spezifikationen
Dauerstrom (A) 20
Typ. Durchgangswiderstand (mOhm) 30

Grafiken

P50006S260R200L126S Familienzeichnung P50006S260R200L126S Kopfform 1